About ECHO Air Inc
ECHO Air is an aircraft envelope (fuselage) ventilation and pressure differential control system. This ventilation system is patented in the USA, Canada, Germany, France, the UK, Sweden and Spain.
ECHO Air patents have the sole right to envelope pressurization with dry air relative to the cabin. CTT Systems AB, Sweden, challenged our European patents in this regard saying its patents (Zonal Dryer) taught this.
Last fall the European Patent Office ruled in our favour and CTT did not appeal this decision.
The link to the EPO decision (and entire file history relating to the application and post-grant opposition proceedings) in the on-line register maintained by the European Patent Office:
This envelope ventilation has several optional features. It can:

Schematic of the ECHO Air aircraft cabin/fuselage ventilation system

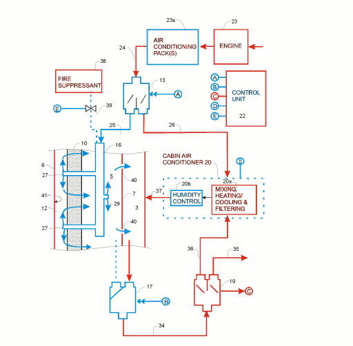
Air flow diagram of the ECHO Air aircraft cabin/fuselage ventilation system
Dehumidify the envelop using a source of dry ventilation air
ECHO Air pressurizes the envelope slightly relative to the cabin with a dry ventilation air supply. Previously, natural air circulation from the cabin to the envelope and back to the cabin either directly or via the central environmental control system (ECS) system through the recirculation system was occurring. This dry air dehumidification reduces the dead weight penalty of moisture accumulation. It reduces metal corrosion. It reduces insulation and electrical system degradation. Coincidentally, it provides 'cleaner' air entering the cabin space from the envelope space that is now dryer and less contaminated with bacteria and fungal growth. This cleaner air benefit is in direct contrast to the 'intuitive' thinking of those concerned about envelope pressurization and unaware that cabin air is currently entering the envelope and then being recirculated back again to the cabin.
ECHO Air uses engine bleed air or stand-alone compressor ventilation air as the source of the dry air. This saves on fuel costs and electricity usage over alternative dehumidifier approaches.
ECHO Air uses thermally controlled ventilation air to heat and cool the envelope as needed to thermally condition the cabin. Given the geometry and thermal loads in high occupancy density, low volume passenger cabins, heating and cooling the cabin via liner thermal radiation is both more energy-efficient and comfortable for the occupants than central forced air air-conditioning.
ECHO Air prevents humid cabin air from entering the envelope and condensing on the cold fuselage by way of its pressurization of the envelope relative to cabin. This, therefore, raises cabin humidity levels. Competitor technologies do not do this, nor can they do so without violating the ECHO patents.
In the event of a fire, ECHO Air injects fire suppressant into the envelope as needed, and vents smoke directly from the envelope to the atmosphere and away from the cabin.
Facilitate the energy saving potential of new aircraft ventilation ejector technology
High pressure ventilation system ejectors are being developed to increase local air circulation and air cleaning by several times over their initial ventilation air supply rates. (See VEFT Aerospace). This local air circulation and cleaning function creates the possibility of reducing outdoor air supplies for cabin ventilation while improving upon air quality and protection against pathogen spread over that possible with central ECS system air cleaners.
A reduction in ventilation rate coincidentally increases cabin humidity. While this increase in humidity is healthy for occupants (as current levels are typically well below health guidelines, particularly on longer flights), and decreases the potential for disease spread, it coincidentally increases the potential for fuselage/envelope condensation problems. This is where ECHO Air comes in with its envelope pressurization system that prevents the humid cabin air from entering the envelope.
[ Top of Page ]